華天配電型EPS應急電源
山東華天科技集團基于多年EPS應急電源的設計制造經驗,融合數字控制技術和大功率電力半導體技術,研發了專為化工、冶煉、能源、重工、制造等工業領域設計的高可靠性配電型應急電源(EPS電源)。該電源專注提供高可靠、高穩定的應急供電解決方案,確保在工業場所市電中斷時為關鍵工業輔助設備提供穩定、連續的后備電力支持,保障設備安全運行。配電型EPS電源的設計平衡了工業應用所需的高標準性能、環境適應性與經濟可靠性。
?應用負載:
??應急照明系統、重要控制系統(如 DCS/PLC)、消防直接啟動類動力設備(如消防泵、排煙風機)、其他小型非核心動力負載。
?核心優勢:??
優異的電氣性能與安全保障:??
寬輸入電壓范圍?:適應電網波動。
?高輸出過載能力?:承受負載啟動沖擊。
?高輸出電壓精度?:保證設備穩定運行。
?全隔離與純凈TN-S系統?:工頻隔離變壓器+二次零地短接,防零地電壓損壞。
?控制電源冗余?:確保核心控制與負載供電可靠。
?
強韌的工業環境適應性:??
?高防護等級?:防異物、防噴淋。
?三防處理電路板?:耐受鹽霧、粉塵等惡劣環境。
?高溫穩定運行?:適應最高45℃環境。
?嚴苛工況設計?:滿足工業應用要求。
?高可靠性與維護便捷性:??
?安全維修旁路?:支持維護期間安全操作與連續供電。
?風扇安全維護?:故障檢測+獨立熔斷器,支持在線更換,確保持續散熱。
?簡化運行維護?:設計注重降低運維復雜度。
一、華天配電型(快切式)EPS應急電源
快切型應急電源在后備型應急電源基礎上進行升級,專為礦井監測系統、化工危險場所監視設備、反應釜、DCS控制系統等對電源連續性要求極高的特殊工業場景設計。通過實現市電與備用電源之間的毫秒級快速切換(可在3-200毫秒內完成供電轉換),有效替代傳統UPS在短時斷電場所的應用,確保關鍵負載連續不間斷供電。
該設備可避免因短時斷電引發的工藝失控風險(如溫度壓力驟變),顯著減少生產廢品率與設備重啟能耗,是保障高危工業環境生產連續性的可靠技術解決方案。
二、快切式EPS應急電源·應用場景
工業控制?:化工反應釜溫控系統、DCS控制器
高危環境監測?:礦井瓦斯監測、化工防爆攝像頭
公共設施?:隧道照明(鈉燈/金鹵燈)、軌道交通信號系統
數據安全?:服務器機房、通信基站(防止數據丟失)
醫療急救?:ICU生命支持設備、手術室照明
三、快切式EPS應急電源·核心優勢
-
極速切換能力
?
- 量化性能:?3-200ms切換速度?(工業關鍵設備耐受極限內)
- 無縫銜接:物理級切換保障零電壓閃變
-
?智能故障預判
?
- 算法突破:多維度供電參數實時比對(電壓/頻率/諧波)
- 三重驗證:誤判率<0.001%(避免誤切導致二次事故)
-
?場景化靈活適配
?
- 自定義閾值:支持設置電壓±15%、頻率±2Hz等精準切換節點
- 兼容性擴展:適用于風電波動礦區/化工腐蝕環境等復雜電網
-
?工業級價值轉化
?
- 直接替代UPS:節省電力保障成本(無需逆變環節)
- 防工藝失控:消除<200ms斷電導致的反應釜凝固/氣體泄漏風險
- 能效優化:減少設備重啟電能損耗
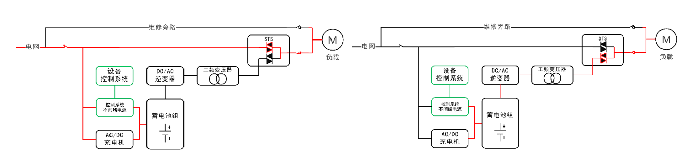
四、快切式EPS應急電源·工作原理
電網電源通過靜態切換開關STS為后端負載供電;同時電網電源經充電機變換后為蓄電池組進行充電;逆變器將蓄電池的直流電轉換為交流電,空載運行。設備輔助電源由電網電源提供。當電網突然掉電時,STS在2-10mS內切換逆變供電,逆變器立即投入帶載工作。

五、快切式EPS應急電源·技術參數

