產品簡介
隨著綠色出行理念的全球化,新能源汽車的銷量逐年遞增,動力電池、電驅系統作為新能源汽車的核心部分,其續航能力及可靠性直接關系到新能源汽車的發展。
程控雙向直流測試電源是山大華天自主開發研制的試驗電源。該裝置可以按照設定輸出穩定、可靠的直流電壓和電流,廣泛應用于新能源汽車電機測試、電機控制器測試、動力電池組充放電測試、電力電子測試等領域。
該系統采用四象限 PWM 整流、雙向 DC-DC 變換器、純數字化控制等核心技術,具有能量雙向流動、100%能量回饋,輸出穩定、低諧波污染、高精度、高功率因數等特點,并具有完善的保護功能。
應用場景
電動汽車電機、控制器測試
電動汽車傳動系統、動力總成系統測試
燃料電池測試,充電機、充電樁測試
電池組、電池包充放電測試
電容、超級電容充電放電測試
儲能系統變流器測試
UPS、EPS系統測試
混合動力測試
功率直流測試電源
工作原理
-

-
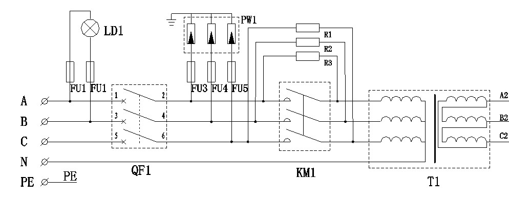
交流配電柜主要由斷路器、軟啟(大功率選配)(選配)等部隔離變壓器分組成,采用手動或自動投入方式實現對電源的隔離供電。

AC-DC 變換柜主要部分是 AC-DC雙向變換,采用四象限 PWM 技術,能量雙向流動,功率因數高達0.99,并網諧波污染小。

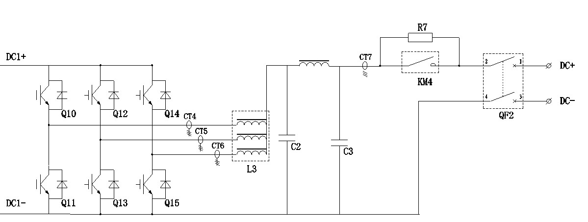
程控雙向直流測試電源核心是AC-DC、DC-DC雙向變換兩級架構,該架構可以有效的提高整機輸出的動態響應時間,具有整機效率高、控制精度高、輸出調節范圍廣、輸出穩定等優點。
-
技術特點
· 采用兩級變換、IGBT全控器件,全數字控制,控制精度高,可靠性高。
· 同時具有電源、負載兩種特性,能量可雙向流動,節能降耗、綠色環保。
· 采用三相PWM整流控制技術,功率因數≥0.99,THD<3%。優化的DC/DC變換雙級電路,可實現寬范圍直流電壓輸出、動態響應快。
· 三電平拓撲結構,輸出電壓諧波低、主開關器件承受電壓低、開關損耗小。
· 高效工頻隔離變壓器,直流側與交流側電網相互隔離。
· 可選配紋波疊加功能,可疊加50kHz/100kHz/150kHz,20~30Vpp交流電壓。
· 7英寸液晶觸摸屏顯示控制,多種通訊接口。
· 協議開放,支持第三方指令控制。
- 技術參數

